当前位置:
产品中心
product
A50M
❤ 收藏

A50M

A50系列Mini激光切割头是一款针对桌面激光切割设备设计的微型手动调焦切割头。支持最高2000w激光功率,±12mm的超宽变焦范围,可以精准覆盖10mm以内碳钢、不锈钢、铝板等材料的加工工艺需求。


0.00
¥0.00
¥0.00
¥0.00
重量:0.000KG
商品描述

A50系列Mini激光切割头是一款针对桌面激光切割设备设计的微型手动调焦切割头。支持最高2000w激光功率,±12mm的超宽变焦范围,可以精准覆盖10mm以内碳钢、不锈钢、铝板等材料的加工工艺需求。





产品型号



产品名称光纤接口
A50M
QBH
Mini QBH-Raycus

Mini QBH-JPT



产品特点:



结构小巧 节省安装空间

重量超清 整头重量小于400g

精密光路 保证稳定加工效果

超宽变焦 支持±12mm的焦点变化范围










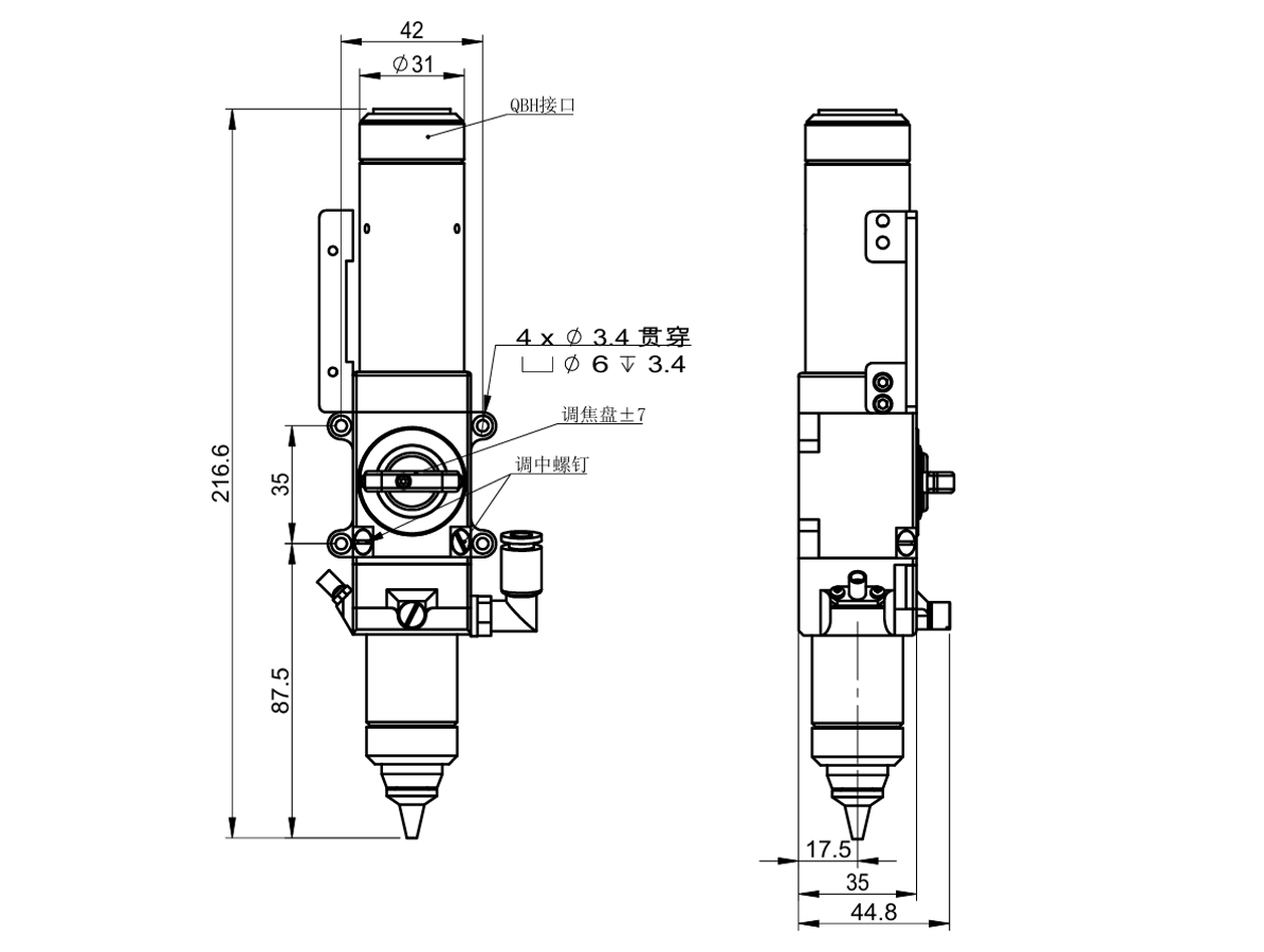
产品结构






产品参数



参数名称 Parameters
A50M
最大适用激光功率  Max Laser Power2000W
光纤接口类型  Fiber SocketQBH/mini QBH
聚焦镜片规格 Focus LensD=20mm,F=50mm
准直镜片规格 Collimator LensD=20mm,F=100mm
最大通光孔直径 CA14mm
激光波长 Laser Wavelength1064nm
切割头重量 Head Weight<400g
切割头最大外尺寸 Head Max Dia216*46*45mm
喷嘴类型 Tip Type3D
焦点Z调节范围 Z Adjust-12mm~12mm
焦点X-Y调节范围 X-Y Adjust±1mm